Mot de passe oublié ?

Les composants des sièges
 - ORA

Les composants des sièges

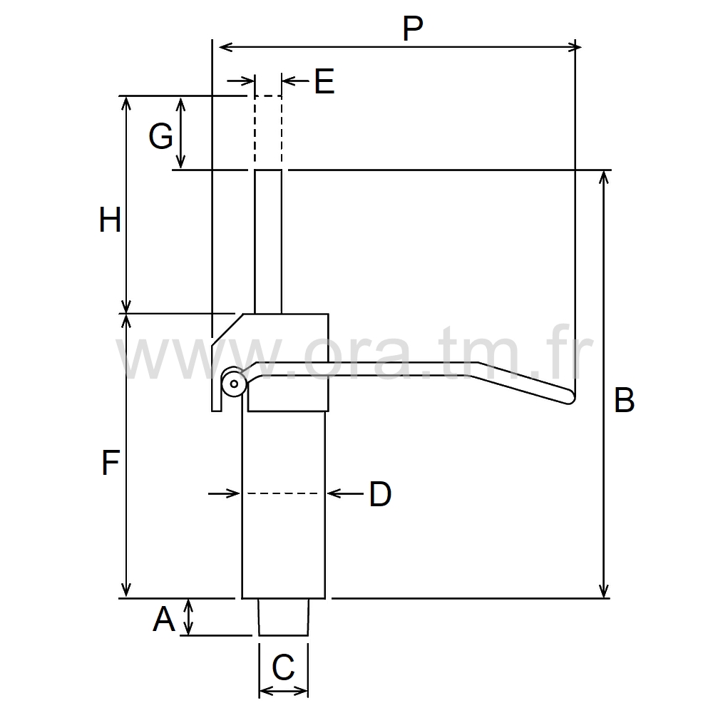
PHR - COLONNE GAZ ET CACHE - POMPE HYDRAULIQUE

PHR - COLONNE GAZ ET CACHE - POMPE HYDRAULIQUE

Tigre

PHR

COLONNE GAZ ET CACHE
POMPE HYDRAULIQUE
Description

  • Pompe hydraulique tube diamètre selon D
  • Manette de réglage haut et bas
  • Cône d'emmanchement supérieur diamètre selon E
  • Cône d'emmanchement inférieur diamètre selon C
  • Kit de montage inclus (vis, rondelle, clé)
  • Capacité de charge de 150 à 200 kg maximum
  • Autres élements à associer :
  • -Platine PLAH : attache tube supérieur
  • -Adaptateur inférieur ADAPTAT : fixation sur base plate
  • -Réducteur de cône REDUCTEUR : enmanchement sur platine cône de 28mm
  • Utilisation recommandée : siège de coiffeur, fauteuil médical, etc.

MATIERE

  • Acier

COLORIS FINITION STANDARD

  • Chrome

OPTIONS

Sur quantité appropriée : autre dimension et finition

 
PHR - COLONNE GAZ ET CACHE - POMPE HYDRAULIQUE
Kit de montage
PHR - COLONNE GAZ ET CACHE - POMPE HYDRAULIQUE
PLAH
PHR - COLONNE GAZ ET CACHE - POMPE HYDRAULIQUE
PLAH
PHR - COLONNE GAZ ET CACHE - POMPE HYDRAULIQUE
PLAH
PHR - COLONNE GAZ ET CACHE - POMPE HYDRAULIQUE
ADAPTAT
PHR - COLONNE GAZ ET CACHE - POMPE HYDRAULIQUE
ADAPTAT
PHR - COLONNE GAZ ET CACHE - POMPE HYDRAULIQUE
REDUCTEUR C25 28
PHR - COLONNE GAZ ET CACHE - POMPE HYDRAULIQUE
REDUCTEUR C25 28

Cliquez sur la référence choisie afin d'ouvrir l'écran d'accès aux articles avec le détail des coloris, types, variantes, etc ... et d'effectuer votre demande d'échantillons et de prix

Références
F
mm
G
mm
C
mm
A
mm
B
mm
D
mm
E
mm
H
mm
P
mm
×
Connectez-vous pour accéder à nos articles
×
Connectez-vous pour accéder à nos articles
×
Connectez-vous pour accéder à nos articles
×
Connectez-vous pour accéder à nos articles
×
Connectez-vous pour accéder à nos articles
×
Connectez-vous pour accéder à nos articles