Mot de passe oublié ?

Les composants de stabilité
 - ORA

Les composants de stabilité

GLO - PIED A VISSER - BASE CYLINDRIQUE

GLO - PIED A VISSER - BASE CYLINDRIQUE

Tigre

GLO

PIED A VISSER
BASE CYLINDRIQUE
Description

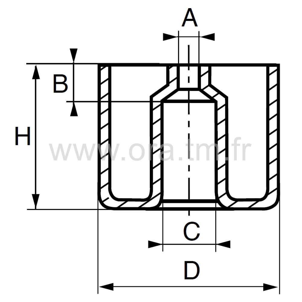
  • Appui plat, bordure rayonnée.
  • Passage supérieur selon A longueur avec épaulement fraisé selon B
  • diamètre inférieur selon C
  • Version épaulement plat voir modèle GLV
  • Charge Statique verticale Limite selon CSL (1 Kgf = 9,8 newtons)

MATIERE

  • PP Polypropylène

COLORIS FINITION STANDARD

  • Noir

OPTIONS

Sur quantité appropriée : autre dimension
Couleur selon sélection RAL : blanc, gris, etc

 
GLO - PIED A VISSER - BASE CYLINDRIQUE
GLO 50H50

Cliquez sur la référence choisie afin d'ouvrir l'écran d'accès aux articles avec le détail des coloris, types, variantes, etc ... et d'effectuer votre demande d'échantillons et de prix

Références
D
mm
H
mm
A
mm
B
mm
C
mm
CSL
Kgf
×
Connectez-vous pour accéder à nos articles
×
Connectez-vous pour accéder à nos articles
×
Connectez-vous pour accéder à nos articles
×
Connectez-vous pour accéder à nos articles
×
Connectez-vous pour accéder à nos articles
×
Connectez-vous pour accéder à nos articles
×
Connectez-vous pour accéder à nos articles
×
Connectez-vous pour accéder à nos articles
×
Connectez-vous pour accéder à nos articles
×
Connectez-vous pour accéder à nos articles
×
Connectez-vous pour accéder à nos articles
×
Connectez-vous pour accéder à nos articles
×
Connectez-vous pour accéder à nos articles
×
Connectez-vous pour accéder à nos articles
×
Connectez-vous pour accéder à nos articles
PP Polypropylène : bonne tenue mécanique, bonne rigidité, résistance à la flexion, aux chocs, à la fatigue dynamique, aux hautes températures, aux produits chimiques, faible absorption d'eau, bon isolant électrique même en milieu humique. Sensibilité aux ultraviolets et aux basses températures. Rappel : les détériorations et ruptures provenant de dilatations, de chocs thermiques et d'exposition aux ultraviolets sont hors garantie.

GÉNÉRALITÉS
Les dimensions sont indiquées en mm, sauf autres indications.
Tolérance générale selon NF T 58.000 classe N.
CARACTÉRISTIQUES DES PLASTIQUES
Voir PDF
Les matières plastiques utilisées pour le moulage des articles présentés, sont sélectionnées selon leurs caractéristiques techniques intrinsèques en fonction de la forme et de l’usage du modèle.
MARQUAGE DES PLASTIQUES
Depuis 2007 nos nouveaux articles sont marqués avec l'identification adéquate (triangle de Möbius ou lettrage). Pour les autres, la gravure du moule peut être effectuée à la demande, sauf impossibilité technique.
PROTECTION DE L’ENVIRONNEMENT ET RECYCLAGE
Nous confirmons notre engagement concernant la protection de l’environnement et notre participation active au niveau du recyclage avec le tri et la valorisation des rebuts.
IDENTIFICATION DU MODÈLE ET DE LA RÉFÉRENCE

Le modèle regroupe sous un même nom, les articles d’un même type et de mêmes caractéristiques et la référence est l’identifiant compréhensible de l’article.
Le nom de modèle, qui est indiqué en tête de chaque référence, est complété par les renseignements spécifiques à l'article : dimensions, couleur.
Exemple : GLD 45H20 NOIR
CONSEIL D’UTILISATION
Les caractéristiques d’utilisation sont indiquées en complément de la référence dans nos devis, catalogues, documentations.
L’utilisateur, ayant sélectionné l’article de son choix, assume la responsabilité de l’adéquation de celui-ci avec l’application et les conditions d’utilisation qu’il projette.
Nous recommandons d’effectuer les tests appropriés avec les échantillons fournis.
N’hésitez pas à nous consulter, nous sommes à votre disposition pour accompagner la mise en œuvre de votre projet, vous conseiller et valider avec vous l’option adéquate.

CROQUIS COTÉS

CARACTÉRISTIQUES DES ORGANES FILETÉS
Acier de frappe à froid, classe 4,6 et 6,6
Extrémité brute de roulage, longueur filetée utile +/- 1 mm.
Revêtement standard conforme ROHS : zingué brillant.

Dans le cadre de l'amélioration et du développement permanent de ses produits, tout en préservant leurs caractéristiques fonctionnelles et dimensionnelles, ORA S.A.S. se réserve le droit de modifier ceux-ci.