Sur quantité appropriée : insert sur plan, acier inox, laiton
couleur sélection RAL
Cliquez sur la référence choisie afin d'ouvrir l'écran d'accès aux articles avec le détail des coloris, types, variantes, etc ... et d'effectuer votre demande d'échantillons et de prix
Généralités
Les dimensions sont indiquées en mm sauf autre indication
Tolérance des pièces moulées selon NF T 58.000 classe Normale
Caractéristiques des plastiques utilisés
Voir PDF
Types d’utilisation
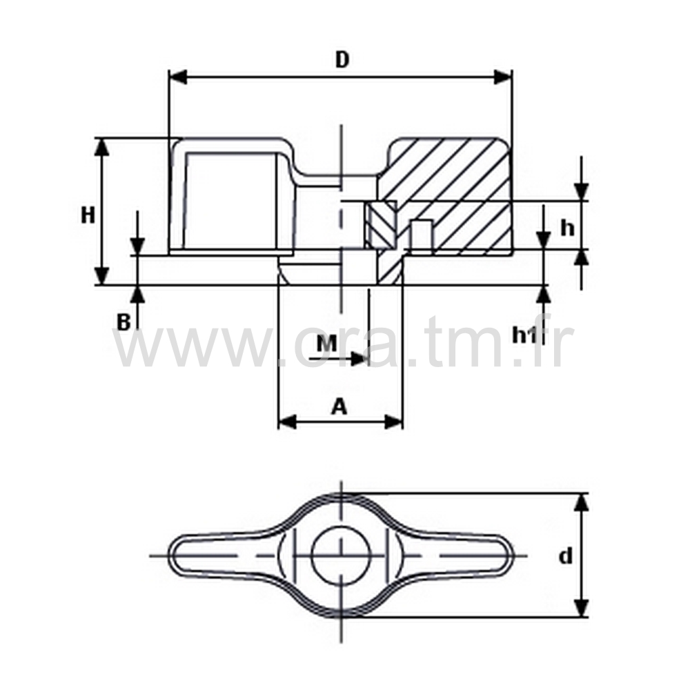
Croquis cotés
Caractéristiques des organes filetés
Acier de frappe à froid, classe 6.6
Filetage à pas gros, tolérance 6H/6g
Extrémité brut de roulage
Tolérance sur longueur utile ± 2 mm
Tolérance des vis qualité 6H/6g selon norme NF.E.03.051
Revêtement et traitement conforme ROHS.

Couples et efforts moyens en utilisation normale

Extrémités spéciales pour applications particulières
Dans le cadre du développement et de l’amélioration permanente de ses produits,ORA S.A.S. se réserve de modifier ceux-ci.