Mot de passe oublié ?

Les composants des tubes
 - ORA

Les composants des tubes

ESCFE - EMBOUT TRAINEAU - TUBE CYLINDRIQUE

ESCFE - EMBOUT TRAINEAU - TUBE CYLINDRIQUE

Tigre

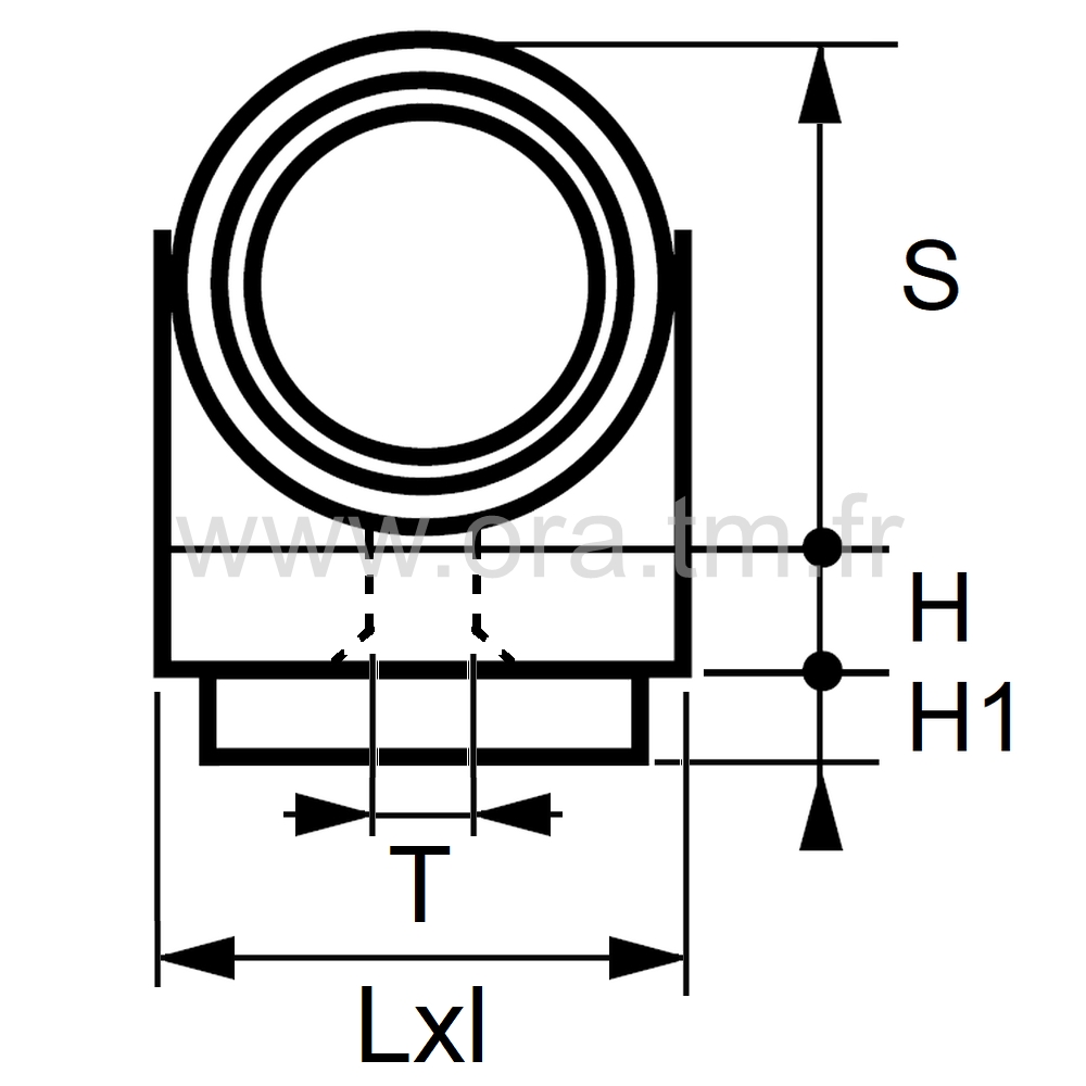
ESCFE

EMBOUT TRAINEAU
TUBE CYLINDRIQUE
Description

  • Section : 25 à 35 mm
  • Appui plat, portée concave côté longueur
  • Emmanchement lisse à forcer
  • Patin feutre synthétique collé, réduction du bruit, protection des sols
  • - Fixation passage épaulé diamètre selon T
  • Côte externe et épaisseur tube selon S

MATIERE

  • PE Polyéthylène

COLORIS FINITION STANDARD

  • Noir

OPTIONS

Sur quantité appropriée : autre dimension
Couleur selon sélection RAL

 

Cliquez sur la référence choisie afin d'ouvrir l'écran d'accès aux articles avec le détail des coloris, types, variantes, etc ... et d'effectuer votre demande d'échantillons et de prix

Références
S
mm
T
mm
E
mm
H
mm
H1
mm
Lxl
mm
×
Connectez-vous pour accéder à nos articles
×
Connectez-vous pour accéder à nos articles
×
Connectez-vous pour accéder à nos articles
×
Connectez-vous pour accéder à nos articles
×
Connectez-vous pour accéder à nos articles
×
Connectez-vous pour accéder à nos articles
PP Polypropylène : bonne tenue mécanique, bonne rigidité, résistance à la flexion, aux chocs, à la fatigue dynamique, aux hautes températures, aux produits chimiques, faible absorption d'eau, bon isolant électrique même en milieu humique. Sensibilité aux ultraviolets et aux basses températures. Rappel : les détériorations et ruptures provenant de dilatations, de chocs thermiques et d'exposition aux ultraviolets sont hors garantie.
Feutre

Généralités
Les dimensions sont indiquées en mm, sauf indications. Tolérance générale NF T 58.000 classe N.
Caractéristiques des plastiques (Voir PDF)
Les matières - polyéthylène, polypropylène, polyamide, etc. - qui sont utilisées pour le moulage des articles présentés, sont sélectionnées, selon leurs caractéristiques intrinsèques, en fonction de la forme et de l’usage du modèle.
Marquage des plastiques
Depuis 2007 nos articles sont marqués avec l’identification adéquate (triangle de Möbius ou lettrage).
Pour ceux, dont les moules ont été construits les années précédentes et qui ne sont pas marqués, la gravure du moule est effectuée à la demande, sauf impossibilité technique.
Protection de l’environnement et recyclage
Nous confirmons, notre engagement concernant la protection de l’environnement, notre participation active au niveau de la chaîne de recyclage avec le tri et la valorisation des rebuts plastiques de nos productions et l’utilisation permanente de matière recyclée pour les modèles signalés.
Identification du modèle et de la référence.
Le nom du modèle regroupe les articles de même type et de mêmes caractéristiques. La référence, qui est l’identifiant de l’article, commence par le nom de modèle, suivi de la dimension principale et d’autres indications, qui précèdent la couleur. Pour les modèles comportant des ailettes, la section externe est suivie de l’épaisseur, qui est le plus souvent doublée, afin d’indiquer les mini et maxi supportés.
Exemples : EAD 25X25X1-3 NOIR, EAZ 100X2-4,5 BLANC
Montage
Cette opération doit être adaptée aux caractéristiques techniques, formes et résistance de l'article, afin de préserver l’intégrité de celui-ci. Par exemple, en cas surépaisseur de la paroi du tube, il est conseillé d’effectuer un chanfrein d’entrée à sa périphérie interne (0,3-0,5 x 60°) afin de faciliter l’emmanchement.
Utilisation
La fonction de l'article est précisée dans nos catalogues et devis : embout d’appui, couvre tube, enjoliveur, insertion filetée, manchon et raccord d’assemblage, etc.
L'utilisateur, assume la pleine responsabilité de l’adéquation des caractéristiques de l'article qu'il a choisi avec l’application et les conditions d’utilisation qu’il projette.
Nous recommandons de vérifier la réalité de cette adéquation avec les tests appropriés et nous fournissons les échantillons à cet effet.
Nous sommes également à votre disposition pour vous conseiller, vous accompagner dans la mise en oeuvre de votre projet et effectuer - avec vous - la validation de l’option sélectionnée adéquate.
Dans le cadre de l’amélioration et du développement permanent de ses produits, ORA S.A.S se réserve la possibilité de les modifier, tout en conservant leurs caractéristiques fonctionnelles.